Control refers to a process, the machine, the status of operations and process a job or equipment or process parameters according to a predetermined rule of operation. There are three types of control, connection control of the former, the latter for process control; the latter is the main object of study, including boot time process control and flow control procedures guidance.
Proper selection control system
Select the rating system is about to be selected based on the following factors: strength, travel, sports type, speed, size, longevity, sensitivity sense; according to the nature of the working medium: electrical, hydraulic, pneumatic assessed. Reasonable choice is the key to achieve the objective.
Electrical VS Pneumatic: electrical conductivity, good speed, but not easy to store, potentially dangerous. Air conduction is slow, but easy storage, and security.
A typical pneumatic circuit
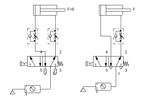
Speed control loop: intake throttling and exhaust throttling; one-way function and application of the throttle valve

Pneumatic control, the use of the exhaust throttle relatively good intake throttling effect. Because the pressure generated by the pressure evenly; avoid cylinder "crawl", smooth operation.
For more information, please stay tuned to our blog, update information and technology industry Mass weekly report for your review; the kinds of industrial goods for you to choose.